Sound Wall
Corrugated Metals, Inc.’s Sound Wall Panel is used in the construction of highway noise barriers, airport fencing, interior acoustics, and any other application where noise dampening is a design consideration. If your company is involved in projects where acoustical attenuation is needed, please consider CMI’s Sound Wall Panel to fill your requirements.

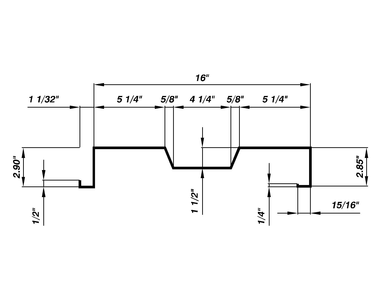
PRODUCT CHARACTERISTICS
If your company is involved in projects where acoustical attenuation is needed, please consider CMI’s Sound Wall Panel to fill your requirements.

| METAL | OVERALL WIDTH | FINISH | NET COVERAGE | EDGES | AVAILABILITY | |
|---|---|---|---|---|---|---|
| Steel & Aluminum | 16“ | 16″ | 16″ | 2 Down | Special Inquiry | |
Have questions?
Please fill out the form to contact us or call us at 1-800-621-5617.